DASAR SISTEM #1
Tujuan Praktikum
Mahasiswa diharapkan mampu mengimplementasikan full adder dengan
menggunakan 3 ke 8 decoder dengan 2 buah gerbang OR serta mampu mengubah kode BCD menjadi decimal order menggunakan decoder.
Rumusan Masalah
Buatlah implementasi full adder dengan menggunakan 3 to 8 decoder dengan
2 buah gerbang OR dan BCD to decimal order.
Dasar Teori
1. Multiplexer
Multiplexer adalah rangkaian logika yang berfungsi memilih data yang ada pada inputnya untuk disalurkan ke outputnya dengan bantuan sinyal pemilih atau sinyal control.
Jumlah input mux adalah 2n (n = 1,2,3,…) dengan n adalah jumlah bit sinyal pemilih. Sehingga terdapat MUX 2 ke 1 dengan 1-bit sinyal pemilih, MUX 4 ke 1 dengan 2-bit sinyal pemilih, MUX 8 ke 1 dengan 3-bit sinyal pemilih, dan seterusnya.
Simbol multiplexer :
![]() |
| Simbol Multiplexer |
| Diagram Digital Multiplexer |
Tabel kebenaran multiplexer:
![]() |
| Tabel Kebenaran Multiplexer |
2. Demultiplexer
Demultiplexer adalah rangkaian logika yang berfungsi menyalurkan data yang
ada pada inputnya ke salah satu dari beberapa outputnya dengan bantuan sinyal
pemilih atau sinyal control.
Jumlah input demux adalah 2n (n = 1,2,3,…) dengan n adalah jumlah bit sinyal pemilih. Sehingga terdapat DEMUX 2 ke 1 dengan 1-bit sinyal pemilih, DEMUX 4 ke 1 dengan 2-bit sinyal pemilih,
DEMUX 8 ke 1 dengan 3-bit sinyal
pemilih, dan seterusnya.
Simbol demultiplexer :
![]() |
| Tabel Kebenaran Demultiplexer |
3. Encoder
Encoder adalah rangkaian
logika yang berfungsi mengubah data yang ada pada inputnya menjadi kode-kode
biner pada outputnya.
Simbol encoder :
Tabel Kebenaran encoder prioritas:
![]() |
| Tabel Kebenaran Encoder Prioritas |
4. Decoder
Decoder adalah rangkaian
logika yang berfungsi mengkode ulang atau menafsirkan kode-kode biner yang ada
pada inputnya menjadi data asli pada outputnya.
| Simbol Decoder |
| Diagram Digital Decoder |
Tabel Kebenaran decoder :
![]() |
| Decoder BCD Ke 7-Segment |
Hasil dan Pembahasan
1. Screenshot Rangkaian
Implementasi full adder dengan menggunakan 3 to 8 decoder dengan 2 buah
gerbang OR
![]() |
| Full Adder 3 to 8 Decoder dan 2 Gerbang OR |
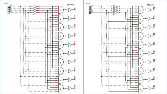
Implementasi BCD to Decimal Order
![]() |
| BCD to Decimal Order |
2. Pembahasan Rangkaian I
Tabel kebenaran Implementasi full adder dengan menggunakan 3 to 8
decoder dengan 2 buah gerbang OR.
![]() |
| Tabel Kebenaran Rangkaian I |
Dalam rangkaian full adder, output S membentuk fungsi detector jumlah ganjil dengan persamaan :
Sedangkan untuk menentukan output Cn dapat diimplementasikan dengan
persamaan :
Rangkaian decoder 3 ke 8 berfungsi menafsirkan kode-kode biner 3-bit
menjadi data asli sistem oktal. Output yang bernilai high (satu) adalah nilai
bilangan asli sistem oktal sebagai implementasi dari input 3-bit bilangan
biner. Misal input 000 akan menghasilkan nilai high (satu) yang ditandai dengan
hidupnya lampu pada Y0 sedangkan output yang lain bernilai low (nol) yang
ditandai dengan matinya lampu, maka 0 merupakan bilangan asli sistem oktal dari
biner 000 dan seterusnya.
Untuk mengimplementasikan rangkaian full adder dalam decoder 3 ke 8
dengan cara menambahkan dua buah gerbang OR input 4. Gerbang OR pertama
diimplementasikan sebagai S sedangkan gerbang OR kedua diimplementasikan
sebagai Cn. Untuk menghubungkannya dengan rangkaian decoder 3 ke 8 disesuaikan
dengan urutan minterm dari S dan Cn. Setelah dicoba untuk semua kondisi input,
ternyata rangkaian memiliki nilai seperti tabel kebenaran full adder.
Jadi, rangkaian full adder dapat diimplementasikan dalam decoder 3 ke 8
dengan menambahkan dua buah gerbang OR input 4.
3. Pembahasan Rangkaian II
Tabel kebenaran implementasi BCD to Decimal Order:
![]() |
| Tabel Kebenaran Rangkaian II |
Kode BCD (Binary-Coded Decimal) menggunakan kode biner 4-bit untuk merepresentasikan masing-masing digit desimal dari suatu bilangan. Dalam system kode BCD terdapat 6 buah kode yang tidak dapat digunakan (invalid code) yaitu 1010, 1011, 1100, 1101, 1110, dan 1111.
Untuk mengimplementasikan BCD ke decimal
order digunakan decoder 4 ke 10 yang menyediakan 10 saluran output sebagai
hasil tafsiran kode 4-bit yang dimasukkan melalui inputnya. Dalam kemasan IC
decoder ini disediakan oleh IC dengan seri 7442, 7445, 74145, 74445, dan 74141.
Berdasarkan hasil dari uji coba rangkaian menggunakan IC 7445 yang
dirancang memiliki output active-low
dimana output yang bernilai low (nol) adalah nilai bilangan asli sistem desimal
sebagai implementasi dari input 4-bit bilangan biner. Misal input 0001 akan
menghasilkan nilai low yang ditandai dengan matinya lampu pada Y1 sedangkan
output yang lain bernilai high (satu) yang ditandai dengan hidupnya lampu, maka
1 merupakan bilangan asli sistem desimal dari biner 0001 dan seterusnya.
Untuk inputan 1010, 1011, 1100, 1101, 1110, dan 1111 tidak memberikan
perubahan pada output karena dalam sistem kode BCD terdapat 6 buah kode yang
tidak dapat digunakan (invalid code)
yaitu 1010, 1011, 1100, 1101, 1110, dan 1111.
Kesimpulan
Berdasalkan hasil praktikum, dapat disimpulkan bahwa :
- Rangkaian full adder dapat diimplementasikan dalam decoder 3 ke 8 dengan menambahkan dua buah gerbang OR input 4. Gerbang OR pertama diimplementasikan sebagai S sedangkan gerbang OR kedua diimplementasikan sebagai Cn. Untuk menghubungkannya dengan rangkaian decoder 3 ke 8 disesuaikan dengan urutan minterm dari S dan Cn.
- Rangkaian BCD ke decimal order dapat diimplementasikan menggunakan decoder 4 ke 10. Dalam kemasan IC decoder ini disediakan oleh IC dengan seri 7442, 7445, 74145, 74445, dan 74141. Dalam IC 7445 yang dirancang, memiliki output active-low dimana output yang bernilai low (nol) adalah nilai bilangan asli sistem desimal sebagai implementasi dari input 4-bit bilangan biner.
- Pada rangkaian BCD ke decimal order, untuk inputan 1010, 1011, 1100, 1101, 1110, dan 1111 tidak memberikan perubahan pada output karena dalam sistem kode BCD terdapat 6 buah kode yang tidak dapat digunakan (invalid code) yaitu 1010, 1011, 1100, 1101, 1110, dan 1111.
Daftar Pustaka
Muchlas. 2005. Rangkaian Digital.
Gava Media : Jogjakarta.










Comments
Post a Comment